SPECIALTIES
Solidworks design.
Custom & specialty hardware.
Electromechanical systems.
Gas plumbing and fire deco.
Architectural finishings.
Fiber reinforced concrete.
Acrylic & Glass.
Manufacturing metals, properties, & applications.
Exterior design.
FDM 3D Printing with a BAMBU X1 Carbon.

Freelance design
Universal patio chair cover frame.
South San Francisco Library:
Custom LED Light box
12′ diameter… 4′ tall… 950 lbs
Currently lives above the story time area in the children’s section.
University of Nebraska
Custom floating display for clients art.
Research and development
for fire and water features
Automatic fire & water features of various forms.
Tiki torches, Candelere’s, line burners & customs fire.
Fiber reinforced concrete fire pits.
Assorted testing scenarios.
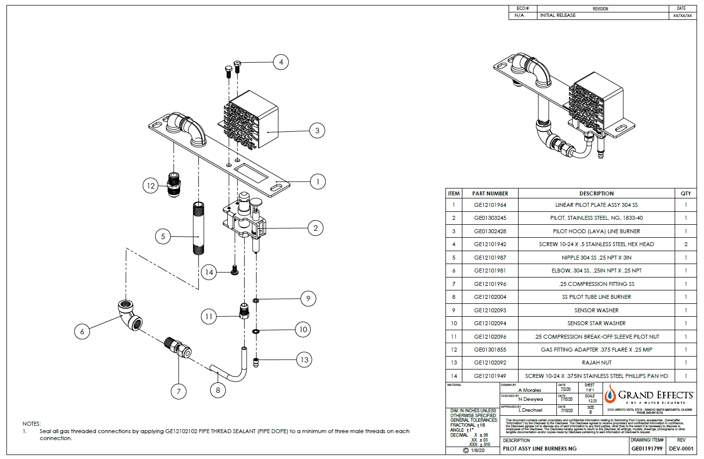
Assorted burners and sub assemblies
Cross section of a water bowl with spillway / Manipulating flame shape via orifice geometry.
Senior design:
Ultra light pack-raft
Gained experience working with industrial textiles.
Mechatronic Design Comp
All robots in the following video are in the same team. Each with unique obstacles and objectives. My robot’s purpose is to stack a tower four blocks high with a heavier red block on top for bonus points. Design challenges included reaching high enough to stack the red block while fitting within the robots size limitations, having enough power to raise the red block with such a long lever, frictions issues holding on to the red block.





































